
万彩网100线路Mechanical characteristics:
The environmental parameters are @ TA=25 ℃, RL=10 k Ω
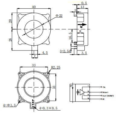
Connector: 0.3mm × 0.5mm (× 4)
万彩网100线路Fixed hole size φ 1.5mm (× 4)
万彩网100线路Product features:
万彩网100线路Easy installation, small size, space saving, no insertion loss, strong anti-interference ability

Application areas:
万彩网100线路DC motor driven static converter, communication power supply, uninterruptible power supply (UPS), switch mode power supply (SMPS), welding machine