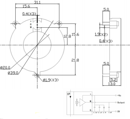
characteristic:
Fixed pin size: 1.9mm (× 3)/Connector: 0.4mm × 0.4mm (× 3)/Welding temperature: 265 ℃± 5 ℃
万彩网100线路Product features:
万彩网100线路Easy installation, small size, space saving, no insertion loss, strong anti-interference ability
Application areas:
DC motor driven static converter, communication power supply, uninterruptible power supply (UPS), switch mode power supply (SMPS), welding machine

