The VCS724 device is available in a small, thin surface-mount SOP16 package. The lead frame is plated with one hundred% matte tin, compatible with standard lead-free (Pb) PCB assembly processes.It comes in various compact packages, making it ideal for space-constrained applications. Additionally, it saves costs by reducing PCB area. With high integration, it meets diverse application requirements. The rated current varies depending on the ambient operating temperature.
The conductive path has a typical resistance of 0.fivemΩ,ensuring low power loss. Typical applications include motor control, load detection and management, switch-mode power supplies, and overcurrent fault protection. It is an economical and precise solution for AC or DC current sensing in automotive, consumer, and communication systems.
Isolated Measurement:4.8kV @50Hz, 1 minute.
Current Sensing Capability: ±10~±65A AC/DC current.
Power Supply: 5V/3.3V.
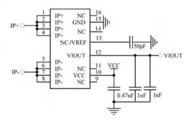
Package: SOP-16.
Ultra-low Current Path Resistance: 0.5mΩ.
Fast Response Time: As low as 3μS.
Wide Operating Temperature Range: -40~125°C/-55~125°C
High Precision: Accuracy error <1% at room temperature;
<3% across the full temperature range.


Selection Guide:
Model | Temperature Range | Current Detection | Sensitivity (mV/A) | Zero Output(V) | Rated Output(V) | Feature Code | Reference Voltage(V) |
VCS724I-20E5D | (-40~125℃) | ±20 | 100 | E(2.5) | 2 | D-differential mode | 2.5 |
VCS724I-30E5D | ±30 | 66 | |||||
VCS724I-40E5D | ±40 | 40 | |||||
VCS724I-50E5D | ±50 | 40 | |||||
VCS724I-65E5D | ±65 | 30.75 | |||||
VCS724I-20U5F | 20 | 200 | U(0.1Vcc) | 4 | F-Follow-up mode | NC | |
VCS724I-30U5F | 30 | 132 | |||||
VCS724I-40U5F | 40 | 100 | |||||
VCS724I-50U5F | 50 | 80 | |||||
VCS724I-20B3F | ±20 | 66 | B(0.5VCC) | one point three two | F-Follow mode | NC | |
VCS724I-30B3F | ±30 | 44 | |||||
VCS724I-40B3F | ±40 | 33 | |||||
VCS724I-50B3F | ±50 | 26.4 | |||||
VCS724I-65B3F | ±65 | 20.3 | |||||
VCS724I-20U3F | 20 | 132 | U(0.1Vcc) | two point six four | F-Follow mode | NC | |
VCS724I-30U3F | 30 | 88 | |||||
VCS724I-40U3F | 40 | 66 | |||||
VCS724I-50U3F | 50 | 52.7 | |||||
Note: VCS724J products with -55~125°C operating range are available.For more orderable models, please contact Vicorv technical personnel. | |||||||