产品特点:
安装方便、体积小,节省空间、无插入损耗、抗干扰能力强
应用领域:
直流电机驱动静态转换器、通讯电源、不间断电源 (UPS)、开关电源 (SMPS)、电焊机

机械特性:
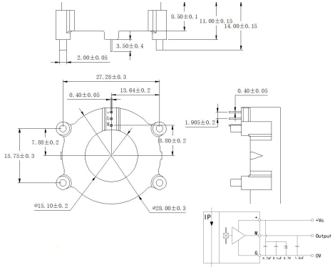
万彩网100线路固定针尺寸:1.905mm(×3)
焊接温度:265℃±5℃
一般公差:± 0.5 mm

标签:
电流模块