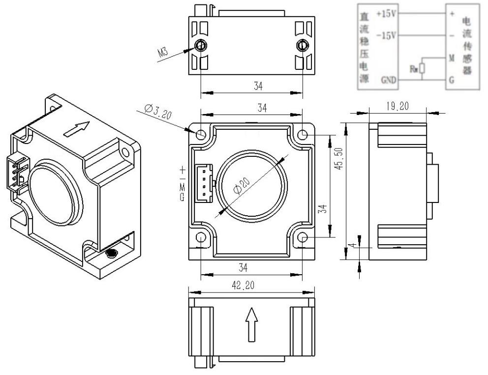
高精度电流传感器是原边电流产生的磁场被副边电流产生的磁场补偿,并用第二个磁芯降噪,通过微控制器 检测差值形成了不对称的磁通门电流,此电流精确反映原边电流的变化。具有非常高的精度和线性度(ppm级 别),温度漂移非常低。广泛应用于医疗、高铁、高端精密仪器、大学实验室、各类检测校准机构。

特点:
安装方便
体积小,节省空间
低温漂
高精度

标签:
电流传感器