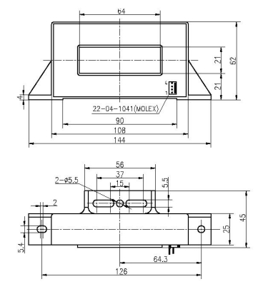
万彩网100线路WCS17A系列霍尔电流传感器能在原边、副边完全隔离条件下测量直流、交流、脉冲以及各种不规则波形的电流。

优势:
精度高、线性度好
低温漂
频带宽
响应时间快
抗干扰能力强
过载能力强
附加电感小

应用:风电装置、逆变装置、SMPS开关电源、电力机车、电网监控
标签:
直流电压高精度传感器