什么是东亚BC系列液压磁断路器?东亚BC系列液压磁断路器是专为OEM市场和通用应用而设计的。
东亚BC系列断路器专为需要额外绝缘和舌槽半壳结构的应用而设计。典型的单极把手型框架尺寸(英寸)为1.730 x 0.755 x 2.00(长x宽x高)。东亚BC系列断路器的额定电流为0.02至50安培,额定电压为80VDC和125/250VAC(带备用保险丝的277VAC)。东亚BC系列断路器具有3000至7500安培的中断额定值。

延时选项包括瞬时、超短、短、中、长、高涌流短、高涌流中或高涌流长。可用的电路类型包括串联、并联、继电器、仅开关和并联跳闸双线圈。东亚BC系列手柄和中间行程手柄执行机构有1至6极。Visi摇杆,双色执行器提供开启或跳闸/关闭模式的视觉指示。也可提供单色摇臂执行机构,摇臂执行机构有1至3个电极。Rockerguard挡板和一键复位执行器设计用于防止意外启动。



东亚BC系列断路器为前面板或前面板卡入式安装,可选择0.25英寸快速连接凸耳、螺钉端子(8-32、10-32、M4或M5)或推入式螺柱端子。东亚BC系列液压磁断路器具有UL认可、UL认可标准1077、UL 508认可、UL 489A认证(电信)、UL 489认证、UL 1500(船用点火和燃油系统保护)、CSA认可、TUV认证和VDE认证认证。
如果您需要更多产品信息,请与技术人员联系:
李工:18576410868(微信同号)
1 适用范围与用途
BC 系列设备用断路器适用于额定电流 AC 0.5-100A 和 DC 0.5-400A,交流 50/60Hz,额定电压 AC 277/480V 和直流 DC 80V 及 DC125V 及以下的电气系统中作线路的过载、短路保护,亦可作不频繁的接通和分断之用。广泛应用于计算机及其外围设备、工业自动化装置、电讯设备、通信电源等系统和 UPS 设备、铁路机车、船用电气系统、电梯控制系统及移动电源设备中。
2 主要技术参数
2.1 符合标准: IEC60947、GB14048.2、UL1077、UL489A、UL489
2.2 额定工作电压:DC80V、DC125V、AC120/240V、AC240V、AC277/480YV
2.3 机械电气寿命:10000 次(其中电气寿命 6000 次),UL489A 电气寿命 1000 次
2.4 额定绝缘电压:AC415V;额定冲击耐受电压:4000V
2.5 产品认证:CCC、CE、TUV、UL1077、UL489A、UL489
2.6 辅助触头参数:AC250V 5A
2.7 额定分断能力
额定电压 (V) |
额定电流 (A) |
极数 | 分断能力 (A) | ||||
TUV, CE, CCC |
UL1077 |
UL489A |
UL489 | ||||
Ics | Icu | ||||||
DC80V | 0.5-100 | 1,2,3 | 7500 | 7500 | 5000 | 10000 | 50000 |
3 正常工作环境
3.1 海拔:≤2000m
3.2 工作温度:-40℃~+85℃
3.3 空气相对湿度:≤95%
3.4 在无爆炸危险的介质中,且介质无足以腐蚀金属和破坏绝缘的气体与导电尘埃的地方
3.5 在没有雨雪侵袭的地方
4 特性曲线

5 规格型号说明
B | C | A S 2 DM | 100 / | 75507 |
1 | 2 | 3 4 5 6 | 7 | 8 |
序号 | 系列 | BC |
1 | 产品代号 | B:液压电磁断路器 |
2 | 系列代号 | C: 系列代号 |
3 | 电路 | A:串联电流脱扣 |
4 | 操作方式代号 | S:长手柄操作 |
5 | 极数 | 2 |
6 | 脱扣曲线代号 | DM:直流中延时 |
7 | 额定电流(A) | 100 |
8 |
客户代码安装方式代号 | 75507 安装方式: M3 螺钉式安装 接线方式: M6 螺栓式接线(单螺母) 操动器颜色和印字:黑色手柄、I-O、ON-OFF 标识垂直、印字颜色:白色附件:无辅助 认证:CCC、 UL1077、TUV |
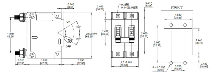
6 外形尺寸及安装尺寸
6.1 外形尺寸,未注尺寸公差±0.02in[.51mm];安装尺寸,未注尺寸公差±0.005in[0.13mm]
