基本参数、工作原理与用途:
万彩网100线路DDB-A25A50按拔式自由脱扣单相断路器产品以双金属电热脱扣原理工作,并有温度补偿结构,可在较宽的温度范围内使用,断路器在飞机交直流配电系统中用于过载或短路保护。

环境适应性:
周围介质温度:(-55~70)°C
随机振动:频率范围(152000)Hz,功能试验量值W0=0.07 g2/Hz
冲击:15g
万彩网100线路加速度:性能试验量值10g;结构强度试验量值13.5g
万彩网100线路炮振:宽带量值(T1~T3)、窄带量值(P1~P4)如下表

电气性能:
极限动作电流
20°C、70℃及-55℃下,产品最大保持电流均为额定电流
万彩网100线路20℃下,产品最小脱扣电流为140%额定电流
-55℃下,产品最小脱扣电流为180%额定电流
过载电流与动作时间
在标准大气压条件下,产品过载电流与动作时间如下列表规定


寿命
在额定电流和功率因数为cosφ >0.5的条件下,接通和断开3000次工作循环
分断能力
直流3000 A;交流1500 A
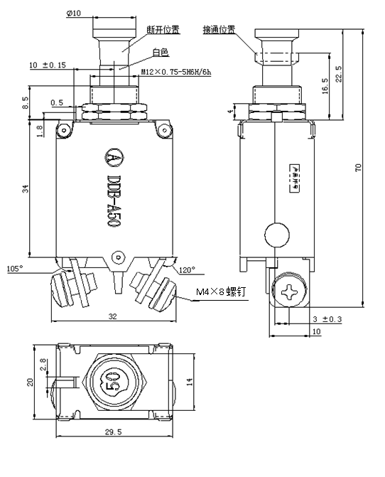
外形尺寸:
