设备BD系列断路器(液压-磁断路器),额定电流0.5A~63A,并接150A,额定工作电压:DC80V、DC125V、DC250V、120/240V、230/400V、277/480V,提供过载、短路保护,应用领域有计算机及外围设备、工业自动控制系统、电信设备、供电系 统、UPS、铁路、船舶、航天器、电梯、便携式电源等。

环境温度::-40℃~+85℃,平均温度。24小时的温度:≤+35C

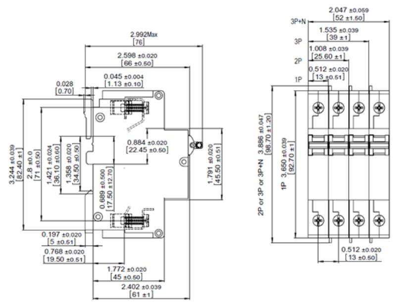
(外形尺寸)
标签:
断路器