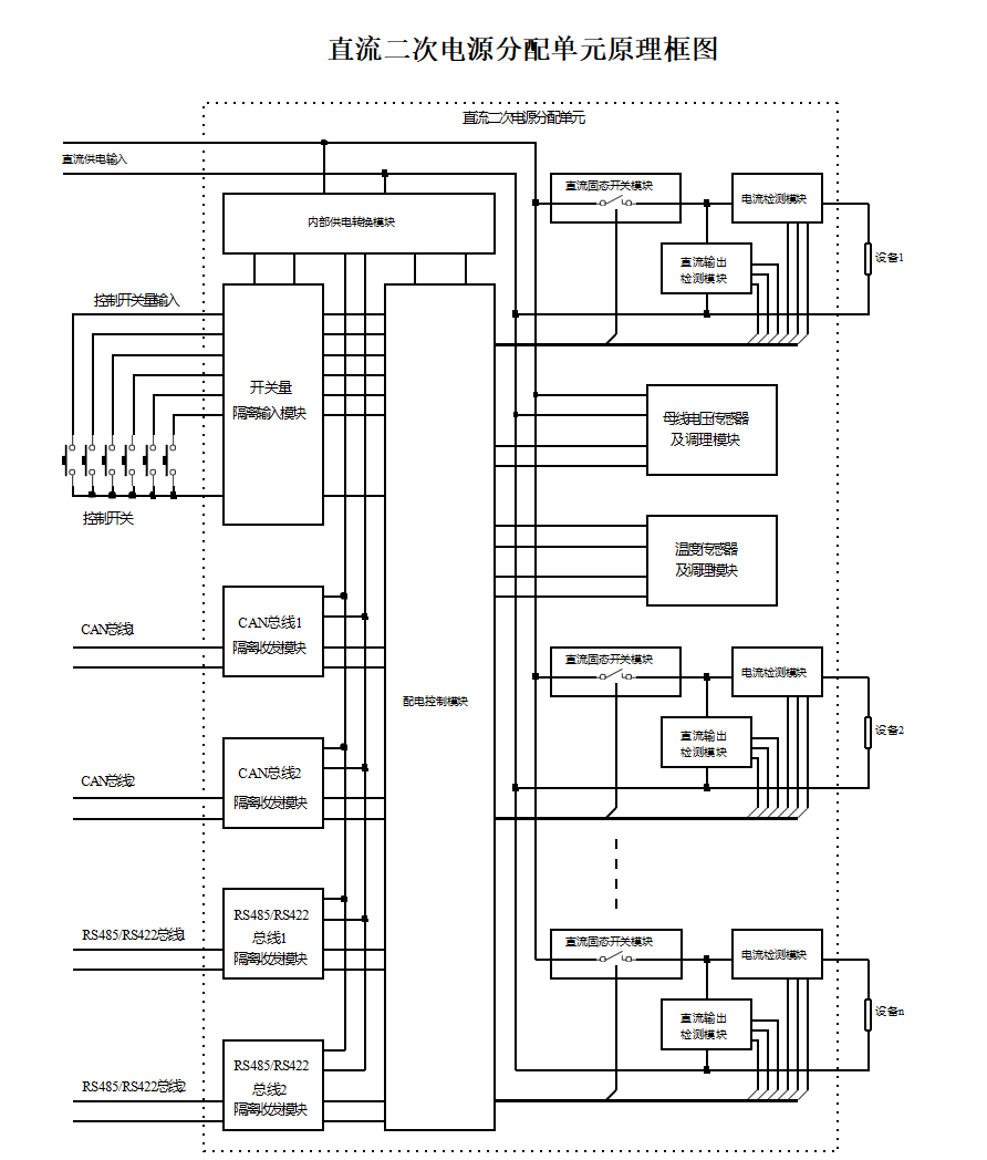
The DC secondary power distribution unit is used for the distribution of secondary power in model DC distribution systems. It intelligently distributes and manages power by receiving bus control instructions or switch commands from the upper computer. Solid state power controller (SSPC) is used as the distribution output, which has functions such as switch status feedback, current and voltage parameter feedback, overcurrent protection, overvoltage and undervoltage protection, overheating protection, etc. At the same time, it has high reliability and safety indicators, good electromagnetic compatibility and environmental adaptability, small size, light weight, low power consumption, and easy maintenance.
Main performance indicators:
Working voltage: 28Vd. c., 120Vd. c., 270Vd. c. Working temperature: -40~85 ℃
Load power characteristics: ≤ 100A/Ch, 28/120/270Vd. c. Control mode: switch control/bus control
Control mode: Three modes (remote control, local control, and emergency control)
Environmental adaptability: meets the relevant requirements of GJB1032-1990, GJB150A-2009, and GJB4-1983
Electromagnetic compatibility: meets the relevant electromagnetic environment requirements of GJB151A-1997
Communication interface: RS485, RS422, CAN, Ethernet, MIL-STD-1553B and other bus interfaces Electrical interface: Circular/D-type connector
Structural form: Standard chassis or customized chassis Average time between failures: up to 100000 hours
