Basic parameters, working principle and purpose:
万彩网100线路The SDB-A1~A50 pull-out free tripping three-phase circuit breaker products work on the principle of bimetallic electric thermal tripping and have a temperature compensation structure, which can be used in a wide temperature range. Circuit breakers are used for overload or short circuit protection in aircraft 115 V/two00C, 400 Hz three-phase AC distribution systems.

Environmental adaptability:
Surrounding medium temperature: (-55~125) ℃
Random vibration: frequency range (15~2000) Hz, functional test value W0=0.07g2 /Hz,15g
万彩网100线路Acceleration: Functional test value of 20g; Structural strength test quantity 20g
Impact: 50g
Cannon vibration: wideband values (T1~T3) and narrowband values (P1~P4) of the cannon vibration test spectrum

万彩网100线路Working height: maximum 30000m
Overload current and action time

Lifespan of 10000 cycles
Segmenting ability: Three phase 1000A; Single phase 1400A

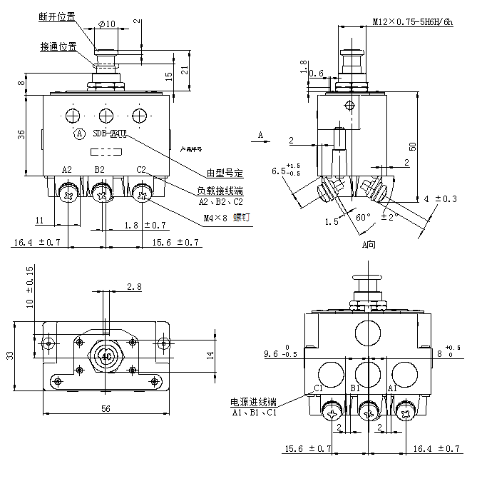
Exterior installation dimensions:
