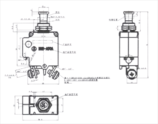
Basic parameters, working principle and purpose:
万彩网100线路The DDB-A25A~A50A pull-out free tripping single-phase circuit breaker products operate based on the bimetallic electric thermal tripping principle and have a temperature compensation structure, which can be used in a wide temperature range. Circuit breakers not only provide overload and short-circuit protection for power lines or electrical equipment, but also have the function of monitoring the on/off status of products.

Environmental adaptability:
Surrounding medium temperature: (-55~70) ℃
Relative humidity: reaching 95% at 60 ℃ in the high temperature and high humidity section
万彩网100线路95% at 30 ℃ in the low-temperature and high humidity section
Working height: maximum usable height 18500m; Maximum height 25000m
Random vibration: frequency range: (15~2000) Hz, functional test value: W0=0.07g2/Hz
万彩网100线路Impact: 15g
万彩网100线路Acceleration: Performance test value 10g; Structural strength test value 13.5g
Cannon vibration: The wideband values (T1~T3) and narrowband values (P1~P4) of the cannon vibration test spectrum are shown in the following table

Technical requirements:
万彩网100线路Extreme action current
a) The maximum holding current of the product at 20 ℃, 70 ℃, and -55 ℃ is the rated current.
b) At 20 ℃, the maximum operating current of the product is 140% of the rated current.
万彩网100线路c) At -55 ℃, the maximum operating current of the product is 180% of the rated current.
Inverse time characteristic


life
When the rated current and power factor are coso>; Under the condition of 0.5, connect and disconnect 3000 working cycles.
Breaking ability
万彩网100线路a) DC interruption: 3000A
b) Communication interruption: 1500A
Exterior installation dimensions:
