This product utilizes the world's first packaging technology to achieve a current wire impedance as low as 0.2m Ω on a 10mm * 11mm * 2.3mm wide body SOP-16 package, making it suitable for power systems that require continuous operation to measure up to 100A.
万彩网100线路The Vicorv SC840 series is an isolated current detection chip that operates based on the open-loop Hall sensor detection principle. By introducing the current wire on the high-voltage side into the package, based on the magnetic effect of the current, the proportional magnetic field generated around the measured wire is sensed by the built-in chip's magnetic sensor and converted into a processable proportional voltage signal. This voltage signal is read and amplified by a high-precision ADC and combined with digital calibration technology to remove environmental variables such as temperature, noise, hysteresis, nonlinearity, etc., and finally outputs a voltage value that is almost ideally proportional to the measured current value, achieving isolated current measurement.
SC840 adopts fully automated production and processing, which can bring customers unparalleled consistency, high quality, and high reliability in module technology. The standard package design is very suitable for customers to carry out batch automatic surface mount production, and is the best solution for applications such as photovoltaic inverters, household appliances, charging stations, etc.

万彩网100线路Isolated measurement, with a high isolation withstand voltage of up to 4.8kv@50HZ , 1 minute
Can measure direct current and alternating current
Minimum current wire impedance: 0.2m Ω
Surge current withstand capacity of 20kA8/20uS
Support Vout Vref differential output mode
万彩网100线路Built in fixed reference benchmark, not affected by power supply voltage fluctuations
万彩网100线路Response time as low as 2uS
Wide working temperature range: -40 ℃~125 ℃
万彩网100线路Wide measured current range: 20A~150A

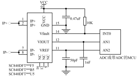
(Schematic diagram of SC840 and ADC connection)