仪表用互感器CT和PT-韦克威-专业FAE指导
对于大交流电的测量,我们使用电流互感器。另一方面,为了测量高交流电压,我们使用了电压互感器。我们将这些电流互感器和电压互感器统称为仪表互感器。不仅出于测量目的,我们还将互感器用于电气保护目的。
互感器的应用
电流互感器降低功率电路的电流,以进行测量和保护。另一方面,出于某些测量和保护目的,电压互感器会降低电源系统的电压。实际上,流经高压电网的电流量很大。因此,没有通用的测量仪器可以直接测量这种大电流。高压电力系统的电压也是如此。尽管从理论上讲,我们可以设计能够测量这些巨大电流和电压而不会降低的仪器。但是实际上,这些工具变得很大,复杂且昂贵。因此,通过使用互感器,我们可以使用标准额定测量仪器来测量相当高的电压和电流。使用互感器的另一个优点是安全性。在测量过程中,无需有人接触系统的高压和大电流。因此,对他们来说是安全的。在电气保护中,互感器在过流,欠压,接地故障和许多其他类型的保护方案中起着至关重要的作用。
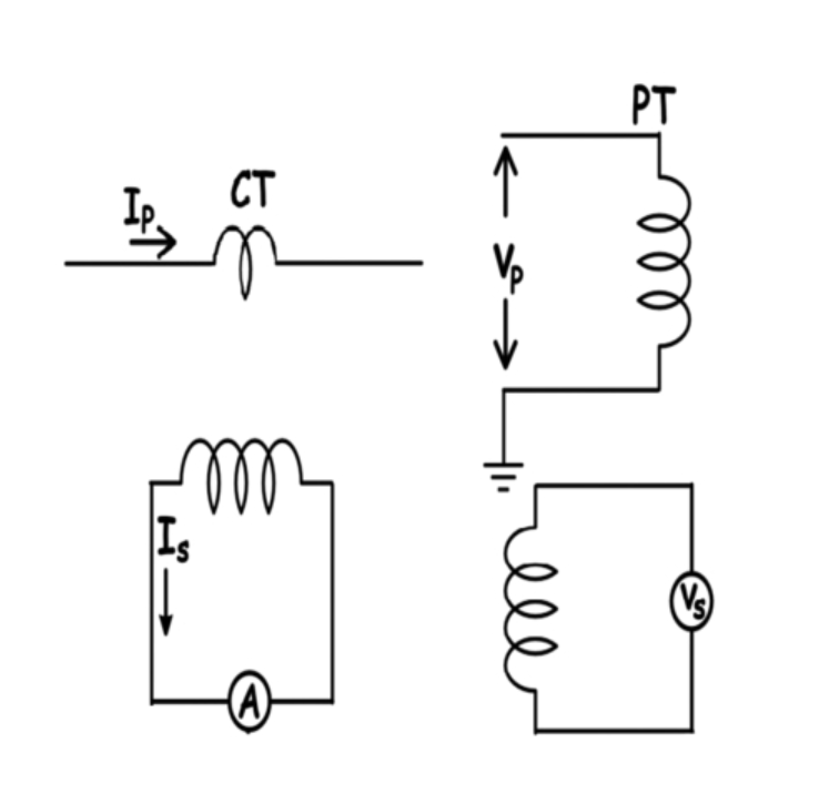
基本电路图

互感器的优点
以前,电流互感器的次级额定电流为1A或5A。现在只有1A。在现代时代,我们很少使用5A电流互感器。由于在所有电流互感器级别中,次级电流均为1A,因此我们可以使用额定电流为1A的电流表来测量不同的电流级别。
电压互感器的标准次级额定电压为110V。因此,使用相同的110V额定电压表,我们可以测量各种高压。
仪器变压器有助于使测量仪器远离带电的高压和大电流电源系统。在这种情况下,我们使用从仪表变压器的次级铁芯到远程测量仪器的较长的次级引线。
单个仪器变压器可以一次操作许多台仪器。
这些从系统消耗的功率非常少。
使用电流互感器,可以在不断开线路的情况下测量线路的交流电。例如,夹子式仪表就是这样的仪器。
互感器的缺点
因为是变压器 互感器不能处理直流电
仪表变压器的负担
负担是变压器的VA额定值。更清楚地是额定次级电压下的伏安额定值。这是次级绕组上的最大允许负载,低于该最大负载,变压器会引起有限的误差。仪器变压器不能没有错误。但是它们每个都有一个允许的错误限制。因此,负担就是负载,在此负载之下,互感器会在其极限范围内引起误差。
如果设备的次级感应电压为V。次级仪表和继电器电路的阻抗(包括次级绕组的阻抗)为Z。次级负担为V 2 / Z。
![]()
同样,如果通过次级电路的电流为I。
![]()
仪表变压器的变比
变换比是初级信号与次级信号的比率。对于电流互感器
![]()
对于电压互感器,
![]()